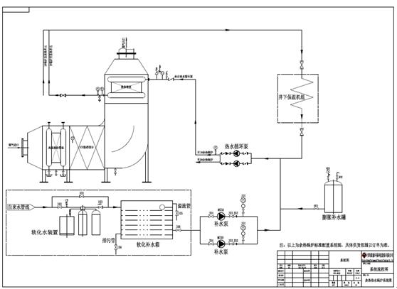
替代礦區直燃鍋爐的余熱利用方案

礦區內冬季取暖及全季工人洗澡用水供熱,完全依靠礦區內直燃鍋爐供能,每年用瓦斯氣及鍋爐運行人員費用非常高,不僅增加公司運行成本而且企業每年需檢驗,流程復雜,給企業帶來困擾。目前礦區大部分與瓦斯發電廠合作,利用瓦斯發電余熱利用代替礦區直燃鍋爐,瓦斯電站利用礦區煤層氣一方面發電,另一方面利用余熱鍋爐給礦區供暖有熱水、蒸汽的,利用機組高溫煙氣與余熱鍋爐熱交換,產出熱水或蒸汽供給礦區,不僅礦區節省費用,而且可以減少瓦斯氣量供給電站多發電,雙方互利。

青島凱能環保科技股份有限公司(凱能科技)成立于1999年,專業化生產:燃油燃氣鍋爐、發電機組余熱鍋爐、SCR余熱一體化設備等節能環保產品的高新技術企業。公司具備A級鍋爐制造、D1、D2類壓力容器設計制造資質及各種生產專利等。

青島凱能科技為客戶定制高水準、高品質礦區瓦斯發電余熱利用系統方案,滿足客戶的使用需求,為客戶創造效益、為環保事業貢獻一份力量。
如果您對余熱鍋爐感興趣,請致電400-100-9636,我們將竭誠為您服務!

![]()
![]()

專注節能環保20年,轉載請注明出處。
產品推薦
同類文章排行
- 工業窯爐煙氣余熱回收,挖掘隱藏的“能源金礦”
- 干熄焦余熱鍋爐:賦能綠色焦化,鑄就多維價值典范
- 內燃機煙氣余熱發電:化工業廢氣為綠色電能
- 余熱鍋爐在發電機組中的關鍵角色與多元用途
- 變廢為寶:焦化爐煙氣余熱回收技術解析
- 玻璃窯爐煙氣余熱利用:亟待挖掘的能源富礦
- 工業硅礦熱爐余熱鍋爐的應用與價值
- 凱能科技余熱鍋爐:多行業節能升級的核心動力
- 鐵合金煙氣余熱回收利用:綠色轉型新引擎
- 工業硅礦熱爐余熱鍋爐:賦能工業硅生產的 “節能利器”













魯公網安備 37028102000404號